GE IS200TTURH1CED
  • GE IS200TTURH1CED GE IS200TTURH1CED
  • GE IS200TTURH1CED GE IS200TTURH1CED
  • GE IS200TTURH1CED GE IS200TTURH1CED

GE IS200TTURH1CED

Marca: GE
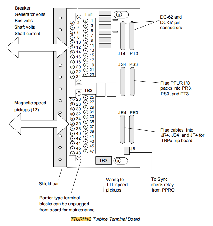
Descrizione: morsettiera di uscita
Condizione: nuovo di zecca
Certificato: LETTERA DI GARANZIA RAPPORTO DI PROVA COO
Garanzia: 1 anno
Quantità inventario: 14
Termine di pagamento: T/T
Porto di spedizione: Xiamen
GE IS200TTURH1CED è una morsettiera di uscita master trip specifica per turbina altamente affidabile e sicura progettata da General Electric per le sue turbine avanzate Mark VIe e Mark VIeS e i sistemi di controllo del processo. Essendo un componente chiave di sicurezza dell'architettura I/O distribuita Mark VIe, la missione principale di questa scheda è eseguire il comando di spegnimento finale e irreversibile dal controller.

Invia richiesta

Descrizione del prodotto

Produzione
GE
Numero di modello
IS200TTURH1CED
Numero d'ordine
IS200TTURH1CED
Catalogare
Marco VI
Paese di origine
U.S.A.
CODICE SA
8479909090
Dimensione
233×160mm
Peso
0,32 chilogrammi

Panoramica del prodotto

GE IS200TTURH1CED è una morsettiera di uscita master trip specifica per turbina altamente affidabile e sicura progettata da General Electric per le sue turbine avanzate Mark VIe e Mark VIeS e i sistemi di controllo del processo. Essendo un componente chiave di sicurezza dell'architettura I/O distribuita Mark VIe, la missione principale di questa scheda è eseguire il comando di spegnimento finale e irreversibile dal controller. IS200TTURH1CED riceve segnali elettronici dal modulo processore I/O di sgancio primario specifico per turbina di processo e interrompe o collega fisicamente i circuiti di alimentazione ad attuatori chiave quali valvole di intercettazione del carburante, elettrovalvole di sgancio idraulico e bobine di sgancio dell'interruttore del generatore attraverso i relè elettromagnetici altamente affidabili e di grande capacità integrati internamente, ottenendo così uno spegnimento sicuro, rapido e affidabile delle principali apparecchiature di potenza come turbine a gas e turbine a vapore. Questa scheda non è semplicemente una scheda relè; è l'esecutore finale delle funzioni dell'intero sistema di strumenti di sicurezza nel mondo fisico. Il suo design segue il principio Fail-Safe ed è l'ultima linea di difesa per garantire la sicurezza del personale, delle attrezzature e dell'ambiente.

Caratteristiche della funzione del prodotto

Esecuzione della funzione di sicurezza finale: viaggio principale

TTURH1CED è l'unità di esecuzione fisica finale della logica di protezione. Quando il controller Mark VIe rileva una condizione che mette a rischio la sicurezza dell'apparecchiatura, invierà un comando di sgancio al modulo PTUR. PTUR quindi attiva i relè sulla scheda TTUR, interrompendo direttamente l'alimentazione del carburante o attivando un intervento meccanico, ottenendo uno spegnimento di emergenza in pochi millisecondi.

Supporto di tripla architettura ridondante

Il design a 3 canali si adatta perfettamente al sistema Mark VIe TMR. Tre canali di controller indipendenti controllano rispettivamente un relè. Solo quando almeno due canali emettono contemporaneamente un comando di sgancio, verrà attivato il circuito di sgancio finale. Questo design migliora significativamente la disponibilità e la sicurezza del sistema.

Diagnostica avanzata integrata, che previene guasti catastrofici

La diagnosi comparativa comandi/feedback è la sua funzione intelligente principale. GE IS200TTURH1CED non solo indica che il controller desidera che scatti, ma conferma anche che è scattato. Questa diagnosi a circuito chiuso è la pietra angolare per garantire l'affidabilità a lungo termine del circuito di sgancio principale, che è una funzione critica con un'unica azione e gravi conseguenze.

Design a prova di errore

La progettazione dell'intero circuito di sgancio segue il principio della sicurezza contro i guasti. Ciò significa che in caso di perdita di alimentazione, rottura del cavo o guasto del relè, il sistema tenderà automaticamente ad uno stato sicuro. Ad esempio, la valvola di intercettazione del carburante è solitamente progettata come Fail-Closed e i relè sulla scheda TTUR vengono eccitati e mantenuti in posizione durante il normale funzionamento per mantenere la valvola aperta; una volta che la scheda TTUR perde alimentazione o riceve un comando di intervento, i relè si rilasciano e la valvola si chiude sotto l'azione della molla.


Consigli sui prodotti correlati

Modulo processore I/O complementare

Il modulo processore I/O di viaggio principale specifico per turbina IS200PTURH1A è il cervello di TTURH1CED.

Prodotto corrispondente della generazione precedente

Scheda I/O Mark VI VTUR + scheda terminali TRPXH1B, IS200TTURH1CED è il diretto predecessore di IS200TTURH1CED in Mark VIe.

Meccanismo di attuazione controllato

Valvola di intercettazione carburante GE SV8/SV12

Elettrovalvola del sistema di olio di viaggio idraulico (Trip Oil System).

Bobina di sgancio dell'interruttore automatico di uscita del generatore (GCB)

Tag caldi:

Categoria correlata

Invia richiesta

Non esitate a dare la vostra richiesta nel modulo sottostante. Ti risponderemo entro 24 ore.
X
Utilizziamo i cookie per offrirti una migliore esperienza di navigazione, analizzare il traffico del sito e personalizzare i contenuti. Utilizzando questo sito, accetti il ​​nostro utilizzo dei cookie. politica sulla riservatezza
Rifiutare Accettare