GE IS200TBAIH1CDD
  • GE IS200TBAIH1CDD GE IS200TBAIH1CDD
  • GE IS200TBAIH1CDD GE IS200TBAIH1CDD
  • GE IS200TBAIH1CDD GE IS200TBAIH1CDD

GE IS200TBAIH1CDD

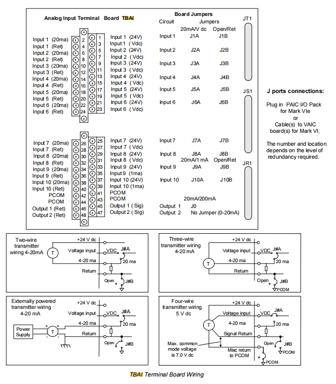
GE IS200TBAIH1CDD è una morsettiera di ingresso analogico a 16 canali progettata da General Electric per i suoi sistemi avanzati di controllo di processo e turbine Mark VIe e Mark VIeS. Questa scheda è un componente chiave dell'interfaccia fisica nell'architettura del sistema I/O Mark VIe.

Invia richiesta

Descrizione del prodotto

Produzione
GE
Numero di modello
IS200TBAIH1CDD
Serie
Marco VIe
Paese di origine
U.S.A.
CODICE SA
8504902000
Dimensione
20*5*5 cm
Dimensione dell'imballaggio
20*5*5 cm
Peso
0,7 kg

Panoramica del prodotto

GE IS200TBAIH1CDD è una morsettiera di ingresso analogico a 16 canali progettata da General Electric per i suoi sistemi avanzati di controllo di processo e turbine Mark VIe e Mark VIeS. Questa scheda è un componente chiave dell'interfaccia fisica nell'architettura del sistema I/O Mark VIe. La funzione principale è stabilire una connessione elettrica sicura, affidabile e standardizzata tra gli strumenti di campo e i moduli di elaborazione I/O interni del sistema di controllo. IS200TBAIH1CDD non esegue l'elaborazione o la conversione del segnale. È un hub di cablaggio non alimentato e ad alta densità. I segnali analogici standard come 4-20 mA o ±10 V CC dal campo sono collegati a questa morsettiera tramite cavi schermati, quindi i segnali vengono trasmessi al modulo VAIC installato nel rack I/O del quadro elettrico tramite un cavo a nastro dedicato ad alta densità. Questo design separato "morsettiera + cavo a nastro + scheda I/O" è una caratteristica distintiva del sistema Mark VIe, poiché semplifica notevolmente il cablaggio in loco, la manutenzione del sistema e la risoluzione dei problemi.

Caratteristiche e vantaggi del prodotto

Raggiungere un completo disaccoppiamento tra lo "strato fisico" e lo "strato elettronico" - la pietra angolare dell'affidabilità del sistema

Negli ambienti industriali, errori di cablaggio, cortocircuiti nei cavi e picchi di tensione indotti sono fonti comuni di guasti. TBAI, in quanto morsettiera passiva, funge da primo “firewall”. Qualsiasi guasto elettrico che si verifica sul lato campo sarà limitato alla morsettiera e ai cavi collegati e non si propagherà direttamente al costoso e preciso modulo processore I/O VAIC. Anche se la morsettiera viene danneggiata a causa di condizioni estreme, i costi e i tempi di sostituzione sono molto inferiori rispetto alla sostituzione di una scheda I/O che integra complessi circuiti di condizionamento del segnale e chip ADC.

Separando fisicamente l'area del cablaggio sul campo ad alto rumore dall'area dell'elettronica di controllo a basso rumore, la progettazione EMC del sistema Mark VIe risulta semplificata. Il modulo VAIC può essere installato in una posizione più pulita e meglio protetta all'interno del quadro elettrico, mentre la scheda TBAI gestisce tutte le connessioni di campo sporche. Questa strategia di partizionamento migliora significativamente la capacità anti-interferenza dell'intero sistema I/O.

La rivoluzionaria modalità di manutenzione fuori armadio è un moltiplicatore di efficienza operativa

GE IS200TBAIH1CDD è di facile manutenzione durante l'intero ciclo di vita, dalla messa in servizio del progetto, alle ispezioni giornaliere alla gestione dei guasti e alle revisioni importanti delle apparecchiature. Il personale addetto alla manutenzione non ha quasi bisogno di aprire la porta dell'armadio di controllo principale. Gli ingegneri dello strumento possono completare in modo indipendente tutte le attività sulla morsettiera:

L'iniezione del segnale utilizza un generatore di segnale per iniettare un segnale standard da 4-20 mA sul terminale per verificare se l'intera catena del segnale dalla morsettiera all'HMI è normale.

Scollegare la linea di uscita dello strumento e collegare direttamente lo strumento di calibrazione al terminale per calibrare il punto/intervallo zero del trasmettitore da campo, senza influenzare il funzionamento del sistema di controllo.

Quando un segnale AI è anomalo, l'ingegnere misura prima il segnale sulla morsettiera. Se il segnale è normale il problema è lato sistema; se il segnale è anomalo il problema è a bordo campo. Questo "metodo di posizionamento binario" riduce il tempo medio di riparazione dei guasti di oltre il 50%.

Supporto per operazioni di hot-swap Nei sistemi Mark VIe configurati con moduli VAIC ridondanti, se è necessario sostituire la morsettiera TBAI stessa, è possibile scollegarla dal cavo intrecciato e sostituirla mentre il sistema è in funzione, ottenendo una manutenzione "zero downtime" reale, seguendo rigorose procedure di sicurezza.



Evoluzione del prodotto e sviluppo tecnologico

L'evoluzione dell'architettura I/O di GE dimostra chiaramente il percorso dall'integrazione alla separazione e quindi all'intelligenza:

Agli albori dei DCS/PLC, l'approccio comune era quello di collegare direttamente le schede I/O, cosa difficile da mantenere e comportante rischi elevati.

Nell'era Mark VIe è stata introdotta un'innovativa architettura I/O completamente separata. L'emergere delle morsettiere TBAI/TBAO è stato il risultato della ricerca estrema di manutenibilità e affidabilità nella pratica ingegneristica. Questo concetto di design si è rivelato di grande successo ed è stato adottato da molti altri produttori di DCS di fascia alta.

Mark VIeS & Beyond attuale e futuro:

L'architettura continua l'architettura separata, matura e affidabile, completamente ereditata del sistema Mark VIeS. Il ruolo della morsettiera TBAI non è cambiato.

Sebbene i terminali intelligenti siano attualmente passivi, la tendenza del settore è verso terminali intelligenti attivi. Le future morsettiere potrebbero integrare stazioni master IO-Link o multiplexer HART, che possono non solo trasmettere i segnali principali ma anche leggere informazioni diagnostiche e di configurazione degli strumenti.

I supplementi per la wireless sono destinati a punti di monitoraggio non critici o difficili da cablare. I trasmettitori wireless stanno diventando un potente complemento al TBAI cablato, ma i circuiti di controllo critici saranno ancora principalmente cablati.


Tag caldi:

Categoria correlata

Invia richiesta

Non esitate a dare la vostra richiesta nel modulo sottostante. Ti risponderemo entro 24 ore.
X
Utilizziamo i cookie per offrirti una migliore esperienza di navigazione, analizzare il traffico del sito e personalizzare i contenuti. Utilizzando questo sito, accetti il ​​nostro utilizzo dei cookie. politica sulla riservatezza
Rifiutare Accettare